Quote Now


Solutions for Your Industry, Ready for Your Choice

%{tishi_zhanwei}%

Technical White Paper on Process for Deeply Desulfurizing Catalytic Cracking Gasoline

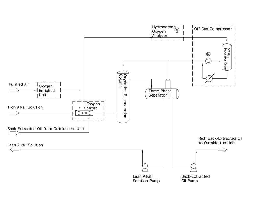
This white paper details an innovative process for deeply desulfurizing catalytic cracking gasoline, as outlined in U.S. Patent No. 9,856,423 B2. The method employs solvent extraction to remove sulfur compounds from gasoline fractions, enhanced by a saturated C5 hydrocarbon reflux mechanism, and integrates with selective hydrodesulfurization for heavier fractions. The process achieves sulfur content below 10 ppm—often as low as 5 ppm—while limiting octane number loss to less than 0.2 units, offering significant improvements over existing technologies. This paper explores the technical foundation, process flow, operational parameters, and industrial relevance of this patented invention.

2025-04-27

HRT Technologies Discription

The latest technology for desulfurization and olefin reduction in catalytic cracked gasoline, awarded the Second Prize of the National Technology Invention Award, and recommended as a promoted technology by the Ministry of Industry and Information Technology.

2025-04-27

EHDS Technology - A White Paper final version

Hebei Refining Technologies Co., Ltd. (HRT) presents the Extraction & Hydrodesulfurization (EHDS) technology, a patented process (US 9,856,423 B2) developed over two decades to address the refining industry’s challenge of deeply desulfurizing Fluid Catalytic Cracking (FCC) gasoline while preserving octane ratings.

2025-04-27

Shell's Malaysian refinery will apply our company's FCC extraction and hydrogenation combined desulfurization technology. The contract has been officially signed and has entered the design phase.

After technical exchanges, multiple comparisons, and on-site inspections, the Shell Malaysia refinery has decided to use our company's catalytic gasoline extraction and hydrogenation combined desulfurization (EHDS) technology to upgrade and renovate the refinery's 1.1 million-ton/year catalytic gasoline unit. The project was officially signed recently. The project is planned to be completed in 2017 and put into operation in 2018. Currently, it has entered the intensive preliminary design phase. Upgrading the quality of gasoline for vehicles requires a significant reduction in the sulfur content of the product. Simply using selective hydrogenation technology requires increasing the hydrogenation ratio or depth of the gasoline, which further increases the loss of octane number. Hebei Jingzhi Technology Co., Ltd. R&D

2018-10-19

Leaders from Cangzhou Bohai New Area visited and guided our Lingang branch.

In the pleasant month of March, the ideal season for construction, Director Zhang Guodong of Cangzhou Bohai Economic Development Zone, along with leaders from various departments of the development zone and the Lingang Park, visited our company's Lingang branch installation and construction site for inspection and guidance. They expressed full affirmation of the company's high-tech project settling in the Lingang Chemical Park, gave high praise to the rapid development of Hebei Jingzhi Technology in recent years, and showed great concern, encouragement, and support for the project construction, construction progress, safety and environmental protection, and employee welfare. Hebei Jingzhi Technology Co., Ltd., established in 1996, specializes in the research and development of petroleum chemical product refining technology and the production of supporting auxiliaries and equipment.

2018-10-19

New Chinese People (VI) diligently engages in innovative entrepreneurship

“Winning the hearts of employees, emphasizing innovative training, focusing on efficient operations, pursuing continuous and steady progress, and striving for long-lasting prosperity” is the motto of Hao Tianzhen, general manager of Hebei Jingzhi Technology Co., Ltd. For 30 years, Hao Tianzhen has devoted himself to researching the quality upgrading and energy conservation and emission reduction technology of petroleum products, leading the company to the forefront of the industry on the road of innovation and entrepreneurship.  Hao Tianzhen, 55 this year, graduated from Daqing Petroleum Institute with a major in petroleum processing. He has held positions in production, research, design, and planning at subsidiaries of Sinopec and has been appointed as a visiting professor at China University of Petroleum. In 2007, the CPC Central Committee launched the call for "innovation and entrepreneurship", with technology in his heart,

2018-10-19

Catalytic gasoline extraction, hydrogenation, and combined desulfurization technology has passed the appraisal - the expert committee unanimously agreed that it has reached the international advanced level

On March 31, 2017, the China Petroleum and Chemical Industry Federation organized experts in Beijing to conduct a scientific and technological achievement appraisal of the "FCC gasoline EHDS desulfurization technology meeting the upgrading of National V/VI standards," jointly researched and developed by Hebei Jingzhi Technology Co., Ltd. and China University of Petroleum (Beijing). The expert committee was chaired by Professor/Academician Cao Xianghong, with Professor/Academician Hu Yongkang and Professor/Academician Shu Xingtian serving as vice chairmen. Members included Professor Men Cungu, Professor Yang Yuanyi, Professor He Shengbao, Professor Li Zhiguo, Professor Yang Shangming, and Researcher Yang Chao.

2018-10-19